黄金城集团

请输入关键词
联系电话

4006217988

联系地址

山东省肥城市高新区康汇大街西257号(黄金城集团工业园)

Copyright © 黄金城集团·[中国]官方网站 有限公司 版权所有  -  

打开微信扫一扫
关注黄金城集团

点击看大图

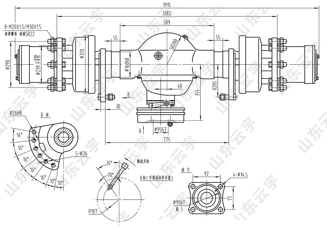
CPC5060叉车驱动桥

产品介绍:

  • 电话:0538-3302973 3302651 3302663 2095186 2095198
  • 电话:2095197 2095188
  • 售后服务电话:4006217988
  • 配 件 部:0538-2095198 3302651
  • 地址:山东省肥城市康王西路257号